1.Switch rating: Ui:250V,Ith:5A
2.Mechanical life: ≥1,000,000 cycles
3.Electrical life: ≥50,000 cycles
4.Contact resistance: ≤50mΩ
5.Insulation resistance: ≥100MΩ(500VDC)
6.Dielectric strength: 1,500V,RMS 50Hz,1min
7.Operation temperature: -25 ℃~55℃ (+no freezing)
8.Operation pressure: About 4N
9.Operation travel: About 2.5mm
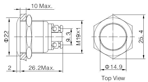
10.Torque: About 0.6Nm Max.applied to nut
11.Front panel protection degree: IP65,IK08
12.Terminal type: Pin terminal (2x0.5mm)
MATERIAL:
1.Contact: Silver alloy
2.Button: Nickel-plated Brass
3.Body: Nickel-plated Brass
4.Base: PBT





